In diesem Artikel verrate ich dir, wie du super schnell deine Camper Elektrik planen kannst. Tipps für die passenden Komponenten zum energie-autarken Camping gibt es on top.
Mit dem eigenen Campervan autark, netzunabhängig für mehrere Tage frei stehen zu können, ist ein großes Ziel und Traum für viele Camper.
In welchen Schritten erreichst du das dafür passende Elektro-Setup für dich konkret?
Welche Bausteine werden benötigt?
Welche Leistung ist überhaupt realistisch im vorhandenen Fahrzeug unterzubringen?
Beim Finden der richtigen Antworten zur Schaltplanung deiner Camper Elektrik helfen dir die beschriebenen Einzelschritte.
Links zu den einzelnen Produkten in der Preissuche findest du je vor einem Pfeil nach oben (“↑”).
Legen wir los …
Inhaltsverzeichnis
- 1 Mit diesem Setup starten wir die Camper Elektrik Planung für unseren VW California.
- 2 Diesen Grad an Autarkie möchten wir mit unserem California erreichen.
- 3 So einfach kann die Camper Elektrik Schaltplanung für VW California sein.
- 4 Die vorgeschlagenen Elektro Komponenten für unseren VW T6 California Beach zur Autarkie unterwegs
- 5 Mit dem Camper Elektrik Kabelplan zur passenden Schaltung
- 6 Wie bekomme ich die Elektrik jetzt in den VW California Camper?
- 7 Bilanz
- 8 Weiterführende Links zum Thema DIY Camper Elektrik
- 9 Liste der Komponenten und Links zur Preissuche
Mit diesem Setup starten wir die Camper Elektrik Planung für unseren VW California.
Unsere Hummel ist ein VW T6 California Beach.
Neben dem Landstromanschluss ab Werk haben wir bereits 140 W Solar ( “Premium Light” von Raymond aka Energy Mobile) auf dem Aufstelldach und ein 120 W ( 3 x 40 ) Faltpanel mit direktem 12 V Anschluss ( über Solarladeregler SunWare Fox Mini / 062 ) zur Positionierung unabhängig vom Bus.
| Anzahl | Kategorie | Bezeichnung |
| 1 | Solar | Premium Light 140 Wp Panel Energy Mobile |
| 1 | Solar | Victron Solarladeregler 75/15 mit Bluetooth |
| 1 | Solar | 120 Wp Faltpanel, Sunware |
So kann die Hummel im Schatten stehen und das Panel mit Nicole zusammen in der Sonne braten. **schmunzel**
In (!) beiden Sitzkonsolen verteilen sich, neben den Sicherungsbahnhöfen aus Hannover, zusätzlich …
| Anzahl | Kategorie | Bezeichnung |
| 2 | Batterie | 80 Ah Lipo Akkus, CS-Batteries |
| 1 | Batteriezubehör | Victron Batteriewächter / Unterspannungsschutz 100 A mit Bluetooth |
| 1 | Ladebooster | Votronic Ladebooster VCC 1212-30 |
| 1 | Ladegerät | LEAB Ladegerät Champ 1207 |
| 1 | Wechselrichter | 1000 W Ective SI10 mit Fernbedienung |
Das Update vom 350 W Wechselrichter auf 1000 W erfolgte im Juni 2023.
Während der Cotek Inverter bereits das Kaffe kochen mit 370 W erlaubte, ist mit den 1000 Watt vom Ective nun auch Wasser kochen möglich.
Warum der Ective SI10? Er ist das Maximum, das mit dieser Leistung ( 1000W ) noch in der Konsole unterzubringen ist 🙂
An der Konsole vom Beifahrersitz finden sich …
| Anzahl | Kategorie | Bezeichnung |
| 1 | Stromanschluss | Solaranschluss mit Neutrik Steckverbinder |
| 2 | Stromanschluss | 12 V Steckdose |
| 1 | Stromanschluss | 2-fach USB Steckdose |
| 1 | Stromanschluss | 230 V Steckdose mit Schalter für den Inverter |
| 1 | Stromanschluss | Landstromanschluss mit LEAB MelfBox |
| 1 | Camping-Einrichtung | VW T5/T6 Konsolenverkleidung BLEIBTDRAN |

An Elektrogeräten verwenden wir …
| Anzahl | Kategorie | Bezeichnung |
| 1 | Kühlbox | 35 Liter Kompressorkühlbox “Leisure 35” von Snomaster |
| 1 | Kaffee | Kaffekocher Rommelsbacher EKO 366 für 2x bis 3x Kaffee kochen täglich |
| 2 | Powerbank | Anker |
| 1 | Beleuchtung | LED-Beleuchtung mit unserer Luminoodle abends und draußen |
Die Beleuchtung im VW California, im Aufstelldach und den Fensterrahmen, sei der Vollständigkeit halber auch noch erwähnt. Das Radio verwenden wir nur während der Fahrt, wenn überhaupt.

Das vorhandene Camper Elektrik Setup erlaubt uns freies Stehen für mindestens drei Tage ohne jeden (!) Stromanschluss. Mit Anschluss der Panels verlängert sich die mögliche Standzeit entsprechend.
Das Frischwasser wird während des Campingurlaubs – ohne Möglichkeit zum Einkauf oder Nachtanken ( in Arbeit … ) – schneller zum eingrenzenden Faktor.
Diesen Grad an Autarkie möchten wir mit unserem California erreichen.
Die Länge der Standzeit off-grid, ohne Stromnetz, reicht uns bereits.
Aber … 🙂 …
Wir hätten gerne die Möglichkeit,
- 2x bis 3x am Tag Wasser zu Kochen ( induktiv mit Heatle oder per kleinem Kocher )
- auch einen Laptop mit zu laden,
- 1x oder 2x warm induktiv zu kochen und die Gasflasche zu Hause lassen zu können und
- den aktuellen Verbrauch, sowie die aktuelle Einspeisung einzelner und aller Verbraucher bzw. Quellen einsehen zu können.
- Auch den aktuellen Ladestand beider Zusatzbatterien und einzeln möchten wir gerne einsehen können.
Vereinfachte Beispielrechnung zum Kochen mit Strom:
Unsere Batterien haben zusammen eine Kapazität von 160 Ah.
Davon sind effektiv ca. 80% nutzbar. Das sind dann bereits nur noch 128 Ah.
Mit 12 (V) multipliziert werden daraus ~1.500 Wh.
Bei einem 2 kW Induktionskochfeld wäre das etwa eine dreiviertel Stunde.
Über beide vorhandenen Solarmodule kommen an einem sonnigen Tag etwa 75 Ah wieder rein.
Da noch mindestens die Kühlbox parallel läuft … bliebe der Herd am zweiten Tag besser kalt.
Mit 400+ W Solarleistung bekämen wir an sonnigen Tagen jeden Tag die Gelegenheit, mit Strom kochen zu können._
Das bisher nur bei Bedarf angeschlossene Panel auf dem Dach möchten wir gerne permanent anschließen, um so auch während der Fahrt, zusätzlich zur Lichtmaschine, laden zu können.
Eine Bonusrunde wäre die Möglichkeit, die Hummel zu Hause zur Einspeisung an das Hausnetz anschließen zu können; Stichwort “vehicle to grid”, kurz “v2g”.
Quasi Camperkraftwerk statt Balkonkraftwerk 🙂

Vielleicht gibt es zukünftig sogar eine Einspeise-Vergütung oder Verrechnung bei Stromeinspeisung auf dem Campingplatz? 🤷
So einfach kann die Camper Elektrik Schaltplanung für VW California sein.
Wie einfach?
So einfach:
- Öffne
https://planer.sunshinerebel.de/– per Juli 2025 leider nicht mehr verfügbar. - …
Du kannst anhand der hier beschriebenen Punkte dein Setup weiterhin selbst planen.
Wenn du sowohl in kälteren als auch wärmeren Regionen unterwegs sein möchtest, empfehlen wir dir, zwei verschiedene Planungen zu erstellen. Damit kannst du beide Szenarien vergleichen und siehst, ob du in einer davon einen wesentlich höheren Strombedarf hast.
SUNSHINE REBEL
Hilfreiche Hinweise, wie dieser an der richtigen Stelle untergebracht, überzeugen mich, dass in das Angebot viele gute Gedanken gesteckt und auch umgesetzt wurden.
Und so sieht die Van Elektrik Planung dann im Detail in deinem Browser aus.
Der Plan entsteht aus vier verschiedenen Bereichen vom Camping. Über diese kannst du mit der Beantwortung von Einzelfragen deinen Bedarf ermitteln.
So funktioniert die Planung.
Planungsschritt 1: Nutzungsverhalten
Du beantwortest zuerst die wichtigsten “W-Fragen”.
Unsere Antwort/en findest du je in gelb hinterlegt.
Wie häufig bist du unterwegs? Gelegentlich für ein paar Tage, auch mal länger oder dauerhaft?

Wo stehst du in der Regel mit deinem California? Frei oder auf dem “CP” (aka Campingplatz, mit Stromanschluss)

Wohin geht die Reise? Mittel-, Süd- oder Nordeuropa?
Für einige wäre die Fragestellung nach Klimazonen oder die Ergänzung “um die ganze Welt” vielleicht noch hilfreich.

Wie lange möchtest du autark stehen bleiben?

Welche ist deine bevorzugte Stromquelle?
Sehr sympathisch: Du kannst die Frage auch offen lassen und einen Vorschlag erhalten, wenn du dir hier noch nicht sicher bist.

Wo möchtest du Solarpanels installieren, wenn du diese Stromquelle angegeben hast?
Tipp: Mit einem mobilen Panel kann der Van im Schatten stehen und das Panel in der Sonne.

Welche Groß- bzw. Dauerverbraucher sollen verbaut werden?
Von “E” wie elektrische Herdplatte, über “K” wie Kühlschrank bis “W” wie Warmwasserboiler triffst du hier eine Auswahl.

Weiter geht es in …
Planungsschritt 2: Küche
Wie viele Herdplatten planst du zum Kochen unterwegs ein?

Wie viel Zeit veranschlagst du, täglich zu kochen und zu braten?

Hat dein Kühlschrank ein Gefrierfach?

Welches Volumen hat die Kühlbox bzw. der Kühlschrank?

Weiter zum nächsten Schritt …
Planungsschritt 3: Wohnen
Jetzt wird es Licht …
Welche Lampen und wie viele sollen verbaut oder zusätzlich genutz werden?

Planungsschritt 4: Elektrogeräte für den Campingurlaub
Welche Elektronik nutzt du im Camping Alltag? Laptop, extra Bildschirm, WLAN-Router, …
Neben den vorgeschlagenen kannst du weitere ergänzen und die jeweilige Anzahl angeben. Zusätzlich wirst du nach der erwarteten Anzahl der Ladezyklen beim frei Stehen gefragt.

Welche Freizeit-Elektronik nimmst du mit auf Tour? Kamera, Drohne, Beamer, Bluetooth-Lautsprecher u.a. kannst du hier angeben.
Auch hier kannst du weitere und je die Menge ergänzen.

Verwendest du unterwegs Klimageräte wie Ventilatoren? Welche?
Auch hier kannst du weitere ergänzen, um die Planung komplett zu machen.

Welche Elektrogeräte kommen in deiner Campingküche zum Einsatz?

Zuletzt: Die Lockenwickler nicht vergessen?!

Hurra! Deine Stromberechnung ist da.
SUNSHINE REBEL
Puh, zum Glück steckt da die Silbe “be” vor der “Rechnung”.
Alles andere hätte mir jetzt den Schweiß auf die Stirn getrieben. 🫣

Mit welcher Elektro-Ausstattung ist die passende Autarkie im California Camper erreichbar?
Die vorgeschlagenen Elektro Komponenten für unseren VW T6 California Beach zur Autarkie unterwegs
Aus deinen Vorgaben für die Camper Elektrik wird jetzt ein erster Vorschlag für dein persönliches 12 V Elektrik-System. Die Liste dazu bekommst du per E-Mail zugesendet.
Für unsere Hummel und die oben genannten Vorgaben hat Sunshine Rebel dieses Paket mit den wesentlichen Komponenten vorgeschlagen:
| Anzahl | Kategorie | Bezeichnung |
| 1 | Batterie | ECTIVE LC 172L 12V LiFePO4, 172Ah |
| 1 | Batteriezubehör | Victron Batterie Monitor BMV-712 BLACK Smart |
| 1 | Ladebooster | Votronic 3326 VCC 1212-50 12V zu 12V 50A B2B Ladewandler |
| 2 | Solar | Offgridtec® 150W MONO 12V Solarpanel |
| 1 | Solar | Victron Smartsolar MPPT 75/15 15A 12V 24V Solar Laderegler ( bereits vorhanden ) |
| 2 | Solarzubehör | Offgridtec Solarmodul-Spoiler weiß |
| 1 | Wechselrichter & Ladegerät | ECTIVE CSI 25 2500W/12V Sinus-Wechselrichter mit Ladegerät |
Randbemerkung: Das jeweils vorgeschlagene Angebot enthält auch konkrete Preisangaben. Mit dem Verkauf der Komponenten verdiente (per Juli 2025 offline) Sunshine Rebel das Geld.
In der Vergangenheit habe ich immer wieder die Preise für eingekaufte Komponenten festgehalten. So ließ sich eine Preisentwicklung nachvollziehen.
Unter der Berliner Kakistokratie im Jahr 2023 ff ist das sinnfrei. Die Preise ändern sich täglich, sind nunmehr völlig unverbindlich und steigen ständig.
Sie lassen sich leider nicht festkleben.
Deshalb werden die Preise hier gar nicht erst angegeben. Eine Liste mit den Komponenten und jeweils einen Link zur aktuellen Preissuche findest du am Ende des Artikels.
Zusätzlich zum Vorschlag der konkreten Komponenten erhältst du weitere Angaben zu Parametern, die bei der Zusammenstellung eine Rolle gespielt haben.
Dazu gehört z.B. die Annahme einer täglichen, durchschnittlichen Sonneneinstrahlung. Für Zeiten mit Bewölkung kann dann ggf. mehr Puffer eingeplant werden.
Klimatabellen mit den zu erwartenden Sonnenstunden für deine Urlaubsziele findest du z.B. für Europa hier: https://www.klimatabelle.de/klima/klimatabelle-europa
Hier ein Beispiel mit den Sonnenstunden je Monat für Hamburg.

Die Liste für dein Autarkie Setup schließt mit ergänzenden Fragen zum Einbau ab.
Bei uns waren es diese unter anderem diese Fragen:
- “Möchtest du deine Batterie mittels App, Monitor oder beidem überwachen?”
- “Möchtest du deine Solar Ladeleistung separat über App, Monitor oder gar nicht überwachen?”
- “Planst du spezielle Einbauorte für die elektrischen Komponenten (z.B. unter dem Fahrersitz)?”
- “Gibt es weitere Punkte, die wir bei deiner Planung berücksichtigen sollen?”
Mir zum Beispiel gefällt der vorgeschlagene Batterie Monitor überhaupt nicht. Das ist dann ein Punkt für die weiteren Planungsschritte.

Ob man:in:divers:bueller:irgendjemand sich tatsächlich Gedanken gemacht hat, damit Markenname, Logo, Gerätegattung und Typbezeichnung … mehr Platz einnehmen als das Mini-Display? 🤔
#mabushi
Als fest installierter Monitor würde es wohl eher der Simarine PICO Monitor werden.
Gefällt dir ein fester Monitor oder die Überwachung per App und auch aus einiger Entfernung besser? Lasse gerne einen Kommentar da.
Die Erstellung des Plans für die Verkabelung ist optional und wird, mit dem Bezug aller Komponenten, inklusive Kabeln und Kleinteilen, auch online angeboten.
Nach der Ermittlung der passenden Kapazitäten und Komponenten für den von dir in deinem Campervan benötigten Energiebedarf geht es weiter mit dem Erstellen des Kabelplans.
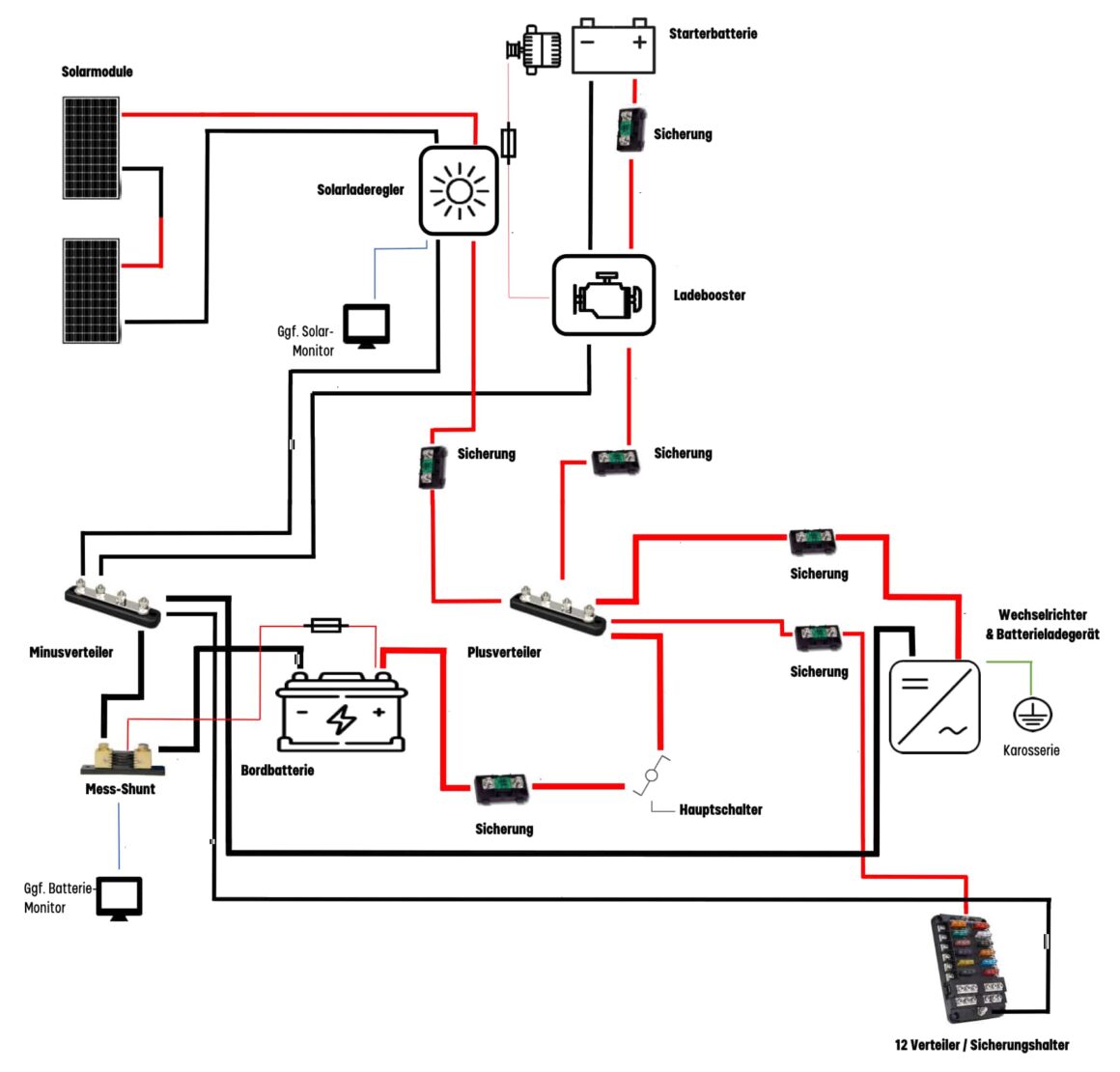
Mit dem Camper Elektrik Kabelplan zur passenden Schaltung
So sieht der erste Entwurf des Kabelplans für unseren autarken VW California aus:

Den Schaltplan kannst du dir hier als PDF herunterladen …
Einen Temperatursensor an den Batterien fände ich zusätzlich hilfreich.
Damit liessen sich Ladevorgänge auf einen optimalen Temperaturbereich einschränken.
Schaltplan und Komponenten für den autarken Campervan stehen damit.
Jetzt fragst du dich …
Wie bekomme ich die Elektrik jetzt in den VW California Camper?
Das Angebot von Sunshine Rebel zielte auf Selbstausbauer mit ausreichenden DIY-Kenntnissen.
Die erste Möglichkeit ist, dass du die Camper Elektrik selbst in deinen Van einziehst.
Neben den beantworteten Fragen zum Setup spielt auch die Sicherheit, z.B. mit Wahl der notwendigen Kabeldurchmesser und Kabelverbindungen, eine große Rolle.
Das passende Werkzeug ist für einen einzelnen Ausbau keine lohnende Anschaffung.

Und die Zeit schnitzt sich auch nicht direkt aus den Rippen …
Deshalb denkt man in Leipzig über den Aufbau eines Netzwerkes von Einbau-Partnern nach. Derzeit ist das noch nicht vorhanden.
Die zweite Möglichkeit ist also, dass du den Einbau und die Verkabelung, die Installation der Camper Elektrik, Fachpersonal deines Vertrauens überlässt.
Für die Ermittlung der optimalen Einbauorte, von benötigten Kabellängen und vielleicht auch noch Feintuning ist das sicher eine gute Wahl.
Wen kannst du für den Einbau empfehlen? Schreibe den Namen gerne zusammen mit der Postleitzahl in einem Kommentar.
Bilanz
Am aufschlussreichsten war für mich die Erkenntnis, dass es vor allem die Solar-Kapazität ist, die uns ein deutliches Stück weiter bringen wird. Hier brummeln schon einige Ideen zwischen den Ohren … und wird das angepackt werden.
Der vorgeschlagene, einzelne Akku – ECTIVE LC 172L – passt zwar so gerade in die Sitzkonsole, lässt aber für weiteres darin keinen Platz.
Für unseren VW California Beach, aka “kleiner großer Bus”, ist der Zugewinn gegenüber der vorhandenen Batteriekapazität mit 12 Ah nicht groß genug.
Hier ziehen wir keinen Wechsel in Betracht.
Den Wechselrichter finde ich interessant und bleibt er auf der Liste.
Die Planung der Camper Elektrik führt dich sehr schnell zu einem Ergebnis.
Rock on & elektrische Grüße 🖖
Stefan
P.S. Dieses Advertorial ist ohne Sponsoring entstanden.
Warum?
Ich mag Rebellen. Sie packen neues an und machen es einfach.
Dabei machen sie es sich nicht leicht, indem sie es anders machen und neue Wege gehen, oder sie sogar selbst bereiten.
Das gefällt mir.
Deshalb ist direkt im ersten Gespräch mit Felix, nach einem kurzen "Hallo" aus Leipzig, die Idee geboren, aus der konkreten Planung von Nicole und mir für die Anpassung von "ein bisschen" zu "bitte autark und hätten wir gerne ..." in unserem VW California das Produkt der sonnigen Aufrührer aus Leipzig vorzustellen und gemeinsam deinem Vanlife etwas mehr Sonne zu gönnen, auch wenn mal nur 'ne Wolke scheint.
Weiterführende Links zum Thema DIY Camper Elektrik
Noch mehr Gesichtspunkte für den Wechsel zum “gasfreien” Wohnmobil und ein guter Einstieg in das Thema Energieversorgung unterwegs, mit hilfreichen Tabellen für die eigene Kalkulation und Planung, hat
https://www.amumot.de/autarke-stromversorgung-im-wohnmobil/
Ein “Was ist … ?” FAQ zu Begriffen rund um die autarke 12 Volt Solarversorgung am Campervan findest du bei
https://de.renogy.com/blog/welche-solarmodul-bentige-ich-um-eine-12v-batterie-aufzuladen/
Einige “Unabhängigkeitsrechner”, derzeit mit Fokus auf PV-Anlagen am Haus, findest du bei der HTW Berlin. Eine Anfrage zur Adaption für Camper ist schon gestellt 🙂
https://solar.htw-berlin.de/rechner/
Liste der Komponenten und Links zur Preissuche
Links der Domäne tidd.ly sind Affiliate-Links und bringen dich direkt zur Preissuche für das Produkt in der zugehörigen Zeile.
| Kategorie | Bezeichnung | Link zur Preissuche |
| Batterie | ECTIVE LC 172L 12V LiFePO4, 172Ah | https://tidd.ly/3myq0Xl |
| Batterie | 80 Ah Lipo Akkus, CS-Batteries | https://tidd.ly/3J3V4WC |
| Batteriezubehör | Victron Batterie Monitor BMV-712 BLACK Smart | https://tidd.ly/3EZuUms |
| Batteriezubehör | Victron Temperatur- und Spannungssensor Smart Sense | https://tidd.ly/3F5pial |
| Batteriezubehör | Victron Batteriewächter / Unterspannungsschutz 65 A mit Bluetooth | https://tidd.ly/3mo9jxw |
| Batteriezubehör | Simarine Pico Batteriemonitor | https://tidd.ly/3SXiS2X |
| Beleuchtung | LED-Beleuchtung Luminoodle | https://tidd.ly/41OG878 |
| Kaffee | Kaffekocher Rommelsbacher EKO 366 | https://tidd.ly/3Jhinxl |
| Kühlbox | 35 Liter Kompressorkühlbox “Leisure 35” von Snomaster | https://snomaster.co.za/product-category/camping-fridges/leisure-series/ |
| Ladebooster | Votronic 3326 VCC 1212-50 12V zu 12V 50A B2B Ladebooster | https://tidd.ly/3ZtPyU7 |
| Ladebooster | Votronic Ladebooster VCC 1212-30 | https://tidd.ly/3mA2EQU |
| Ladegerät | LEAB Ladegerät Champ 1207 | https://www.leab.eu/de/produkte/a9fa1765a3474bd9bdde524e1bafa222/ladegerat-champ-1207-nass |
| Powerbank | Anker | https://tidd.ly/3KZopE9 |
| Solar | Offgridtec® 150W MONO 12V Solarpanel | https://tidd.ly/3ZNs2B7 |
| Solar | Victron Smartsolar MPPT 75/15 15A 12V 24V Solar Laderegler | https://tidd.ly/41OImDw |
| Solar | Premium Light 140 Wp Panel Energy Mobile | https://www.energy-mobile.eu/premium-light-solaranlagen/ |
| Solar | Solar Faltpanel | https://tidd.ly/3myGYVt |
| Camping-Einrichtung | VW California Konsolenverkleidung BLEIBTDRAN | Die Konsolenabdeckung findest du in meinem Shop. |
Die Produkte der Firma Ective finden sich nicht weiter verlinkt.
Meine Erfahrung mit Ective: Für den bei uns verwendeten Wechselrichter, SI10, musste nach 15 Monaten Garantie in Anspruch genommen werden. Der Hersteller hat die Annahme verweigert. Die Abwicklung über den Verkäufer belässt uns nach nun 6 Monaten (Stand Ende Februar 2025) ohne Gerät …
Beides scheint kein Einzelfall bei dem Hersteller. Etablierte Ausbauer und weitere Endkunden berichten mir sehr ähnlich.
Deshalb rate ich vom Kauf von Produkten dieser Firma ab.
